产品总汇Products
当前位置:首页 > 产品总汇 > 风机

4-72系列离心式通风机

所属:风机
返回列表
服务热线:0577-62759326
打印当前页
放入收藏夹
发邮件给我
分享到:
此产品相关资料下载
  • 产品描述
产品概述

4-72系列离心式通风机中№2.8~6主要有叶轮、机壳、进风口等部分配直联电机 而组成,№8~20除具有上述部分外,还有传动部分等。
⑴叶轮由10后倾的机翼型叶片、曲线型前盘和平板后盘组成,用钢板或铸铝合金 制造,并经动、静平衡校正,空气性能良好,效率高,运转平稳。
⑵机壳做成两种不同型式。№2.8~12机壳作成整体,不能拆开,№16~20的机壳 制成三开式,除沿中分水平面分为两半外,上半部再沿中心线垂直分为两半, 用螺栓连接
⑶进风 制成整体,装于风机的侧面,与轴向平行的截面为曲线形状,能使气体 顺利进入叶轮,且损失较小。
⑷传动部分由主轴、轴承箱、滚动轴、带轮或联轴器组成。
从电动机一侧正规,叶轮顺时针旋转,称为右旋风机,以"右"标示,叶轮逆 时针旋转,称为左旋风机,以"左"标示。
风机的出口位置,以机壳的出风角度表示。4-72型风机№2.8~6出厂时均做成1 种型式,使用单位根据要求再安装成做需要的位置,订货时不需注明。№2.8出风口位 置调整范围0°~255°,间隔是45°,№3.2~6出风口位置调整范围0°~255°,间隔 22.5°。№8~12出风口位置调整范围0°~255°,间隔是45°。№16~20出风口位置 制成固定的三种0°、90°、180°,不能调整,订货时需注明。
风机的传动方式有A、B、C、D、四种。
4-72型风机中№2.8~6采用A式传动,№8~12采用C、D式传动,№16~20采用B 式传动。

型号含义

产品用途

4-72型 可作为一般工厂及大型建筑物的室内通风换气用,输送空气 和其他不自然的、对人体无害的、对钢材无腐蚀性的气体。B4-72可作为易燃挥发性 气体的通风换气用。气体内不许有粘性物质,所含尘土及硬质颗粒物不大于150mg/m3。 气体温度不超过80℃。
B4-72 通风机的性能与选用件及基础尺寸与4-72型一致,可按其样 本选择。该风机结构基本与4-72型相同,№2.8~6A采用B35型带法兰盘与底脚的电动 机。№6~12C、D电动机选用该表中与Y系列对应的YB系列,安装型式为B3。 F4-72型防腐离心式风机采用玻璃钢质材料用于输送腐蚀性气体,其性能与基础 尺寸同于4-72型。

4-72系列A型离心式通风机技术参数表

4-72系列D型离心式通风机技术参数表

4-72系列C型离心式通风机技术参数表

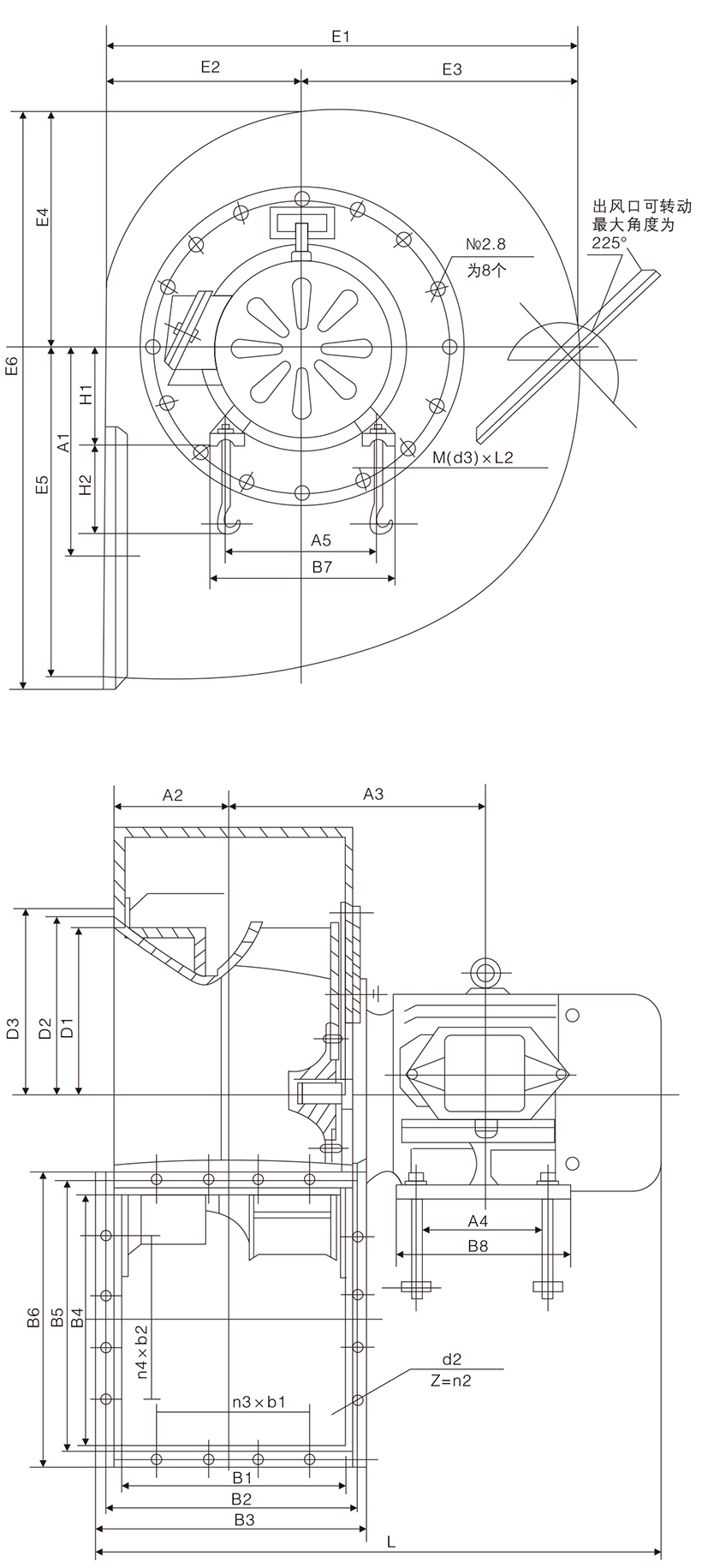
№2.8~6A型离心式通风机外形尺寸

№2.8~6A型离心通风机外形尺寸图

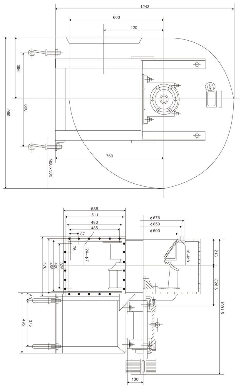
№6 C D 型离心式通风机外形尺寸图

№8、10、12、C、D型离心式通风机外形尺寸图

B4-72-12 №8、10、12、C、D型离心式通风机外形尺寸图(一)

№8、10、12、C、D离心式通风机外形尺寸图(二)

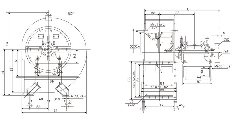
4-72-12、№16、20离心式通风机安装及外形尺寸图

在线客服

在线客服