产品概述
9-19、9-26系列离心式通风机,一般用于锻冶炉及高压强制通风,可广泛用于
输送物料,输送空气及无腐蚀性不自燃、不含粘性物质之气体。介质温度一般不超
过50℃(最高不超过80℃)。介质中所含尘土及硬质颗粒不大于150mg/m³。
本通风机为单吸入式,可制成右旋和左旋两种型式。从电机一端正视,如叶轮
顺时针旋转称右旋风机,以"右"表示;逆时针旋转称左旋风机,以"左"表示。
风机的出口位置以机壳的出口角度表示。"左"、"右"均可制成0°、45°、
90°、135°、180°、225°共六种角度。
风机的传动方式为A式(№4~6.3)和D式(№7.1~16)两种。
产品用途
№4~6.3主要由叶轮、机壳、进风口、支架等组成;No7.1~16主要由叶轮、
机壳、进风口、传动组等组成。
叶轮:9-19型风机叶片为12片,9-26型风机叶片为16片。均属前向弯曲叶型。
叶轮扩压器外缘最高圆周速度不超过140m/s。叶轮成型后经静、动平衡校正,故运
转平稳。
机壳:用普通钢板焊接成蜗型壳整体。
进风口:做成收敛式流线型的整体结构,用螺栓固定在前盖板组成。
传动组:由主轴、轴承箱、联轴器等组成。主轴由优质钢制成,轴承箱整体结
构,采用滚动轴承,用轴 承润滑脂润滑。
叶轮形式及安装角度订货时需要注明,如无注明。一般默认为右旋,角度为180°
型号含义

9-19系列技术参数

9-26系列技术参数

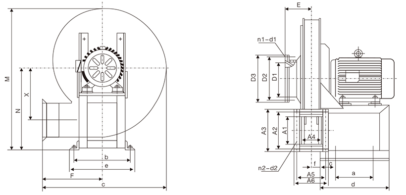
外形及安装尺寸

9-26系列离心风机技术参数表