产品总汇Products
当前位置:首页 > 产品总汇 > 风机

SJG(GXF)系列斜流式风机

所属:风机
返回列表
服务热线:0577-62759326
打印当前页
放入收藏夹
发邮件给我
分享到:
此产品相关资料下载
  • 产品描述
产品概述

SJG(GXF)系列斜流式风机是国家的"星火"项目产品,由上海交通大学研制开 发的新一代管道风。SJG(GXF)是一种新型低噪高效节能型斜流式通风机,斜流式 风机流量大于离心风机,全压高于轴流风机,体积小于离心风机,该风机通过模拟机 的试验研究,采用独特的叶型和叶轮设计取得较高的全压和流量参数,并提高了风机的 全压效率。SJG(GXF) 系列斜流式风机是SWF系列风机的派生型产品,采用鼓型风筒, 调整气流方向从而达到回收静压,提高风压和效率的效果。故兼离心式风机压力系数 较高和轴流风机流量系数较高的特点,具有噪声低、耗电省、结构紧凑等优点。广泛 应用于工矿企业、宾馆、饭店、博物馆、体育馆等的排风系统。
SJG(GXF)系列斜流式风机按叶轮直径分为400~1400mm十四种规格,按类型分 A、B、C、D、S五种类型,共有五十八个机号。风量由3000~90000m 3/h,全压由 185~2500Pa;这样就给设计和用户单位提供了充分的选择条件,具体数据查风机性 能参数表。
SJG(GXF)系列斜流式风机按叶轮直径分为200~800mm十几种规格,十几个机号。 风量由200~2500m³/h,全压由50~1200Pa;具体工况数据查风机性能参数表。 FSJG防腐斜流式风机,风叶、风筒均采用玻璃钢材质,其余部位均做了防腐处 理。用于输送有腐蚀性的气体,其性能及规格于SJG(GXF)相同。

型号含义

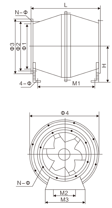
外形尺寸图


SJG系列斜流式风机技术参数表

在线客服

在线客服