产品概述
DWT-Ⅱ型玻璃钢离心式屋顶风机的派生系列有:
BDW4-75-12 "选用外转子调速电机,运转噪声低;
BDW87-4(选用户外防潮、防水电机);
WS-85-6及WT4-85-11(价格比较实惠),根据不同使用场合,供用户选择。
机号自3#-10#,风量自878-31436m/h,全压自122-1072Pa,具有效率高、重量
轻、噪声低、防腐性能优良等特点。
主要部件简介:
1、风机、机座:采用玻璃钢制作,具有质轻,耐腐蚀等特点,且与建筑物结构设计
完美融合。
2、风帽:采用玻璃钢制作,外表光洁、曲线优美。
3、叶轮:采用玻璃钢一次性模压成型,强度高,使用寿命长。
技术参数表
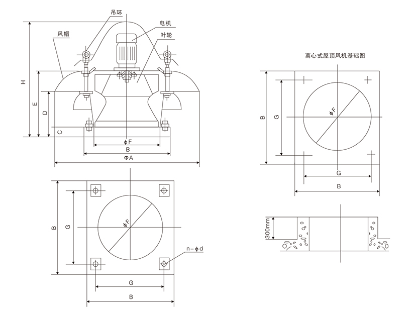
DWT-II型玻璃钢离心式屋顶风机外形尺寸
