产品总汇Products
当前位置:首页 > 产品总汇 > 风机

DWT-Ⅰ型玻璃钢屋顶风机

所属:风机
返回列表
服务热线:0577-62759326
打印当前页
放入收藏夹
发邮件给我
分享到:
此产品相关资料下载
  • 产品描述
产品概述

DWT系列玻璃钢屋顶风机根据使用场合的压力、风量和噪声的不同需求,可选用下 列三种型式的风机:
a、 DWT-Ⅰ型轴流式屋顶风机:具有风量大,压力较离心式风机低的特点,适用于 中低压、大流最的使用场合,根据用户需要还可以设计成双向旋转可逆式,更具 有正反工况等效的特点。
b、 DWT-Ⅱ、 DWT-Ⅲ型离心式屋顶风机,适用于风量较小,压力较高的场合,其 中DWT-Ⅲ型风机特别适用于要求屋面干净清洁的场合下使用。
风机除传动部件外,均采用FRP(玻璃钢)材质制作.表面采用进口胶衣树脂膜,曲面过 渡柔和、美观大方、实用性强、使用寿命特长。
本风机的转动惯性小,动平衡精度高,动转平稳。对于送、排易燃易爆、腐蚀及高 温气体的场合,我公司还可以专门设计防爆、阻燃型风机和采用特有的高温风机技术可 供顾客选择使用。
DWT-Ⅰ系列玻璃钢轴流式屋顶风机在原有轴流式屋顶风机的基础上,消化吸 收国际技术研制开发的新一代产品,机号自3#-24#,风量自1450-17500m³/h,全压 自62-287Pa,具有效率高、重量轻、噪声低、防腐性能优良等特点。
主要部件简介:

1、风筒、机座采用玻玻钢制作,具有质轻、耐腐蚀等特点,且与建筑物结构设计完 美触合。
2、风帽:采用玻璃钢制作,强度高、使用寿命长。
3、叶片:采用玻璃钢制作,强度高、使用寿命长。
4、百叶:活叶风门为重力式,能自动开启,风机停止运转时,风门关闭,以减少冬 季室内热量的散失。
5、防鸟网、安全网:采用金属网,安全性能好。
6、电机:采用低噪声电机,运转性能稳定。

No.3-11.2型玻璃钢轴流式屋顶风机外形尺寸

DWT-I型轴流式屋顶通风机(固定角度)技术参数

DWT-I型轴流式屋顶通风机(固定角度)技术参数

No.12-20型玻璃钢轴流式屋顶风机外形尺寸

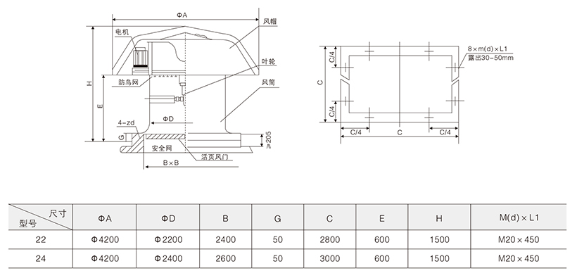
No.22以上玻璃钢皮带传动轴流式屋顶风机外形尺寸

在线客服

在线客服