产品总汇Products
当前位置:首页 > 产品总汇 > 风机

BFAG系列隔爆型排风扇

所属:风机
返回列表
服务热线:0577-62759326
打印当前页
放入收藏夹
发邮件给我
分享到:
此产品相关资料下载
  • 产品描述

产品概述

BFAG隔爆型轴流式交流排风扇(以下简称排风扇)其防爆性能按GB3836.1 《爆炸性环境用防爆电气设备隔爆型电气设备"d"》的规定制成隔爆型。防爆标志 为ExdⅡBT4,适用于ⅡB类T4组以下组别的爆炸性气体的环境。本品具有防爆性 能可靠、风量大、噪声小、耗电省等优点。


安装与使用

首先检查框架、风叶有无变形,扇叶转动是否灵活,有无摩擦现象。检查所有紧固 件是否齐全,紧固。
线路电压必须与产品铭牌上额定电压相符。
用500V兆欧表检查电动机的绝缘电阻,其电阻值若小于5MΩ,则应用烘干法或短 路电流法进行干燥处理,使其绝缘电阻大于5MΩ。
必须配用小型防爆开关作为电源开关,或将普通开关安装于室外无爆炸性危险的地 方。
接电源的电缆外径应与密度圈相符,拧紧、压紧螺母后应保证密封圈与电缆间、密 封圈与出线咀间无间隙,否则将失去隔爆性能。
防爆电机非接线部分不可随意拆卸,接线时,打开接线室的盖,穿入引线接到端子 上,接好后,盖上盖拧紧螺钉使其隔爆面间隙小于0.2mm,再上紧出线器,使引线 不能窜动。
使用中的排风扇应经常清扫电机上的粉尘及其他聚集物,以免影响散热。

长期不用得排风扇重新使用时,应按说明书再检查一遍,合适后方可使用。


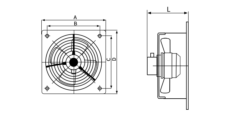
外形尺寸



技术参数表


在线客服

在线客服