产品总汇Products
当前位置:首页 > 产品总汇 > 风机

Y5-47锅炉离心引风机

所属:风机
返回列表
服务热线:0577-62759326
打印当前页
放入收藏夹
发邮件给我
分享到:
此产品相关资料下载
  • 产品描述

产品概述


Y5-47型耐高温锅炉引风机体质小,安装方便。配用耐高温电机,隔热连接头,并在隔热连接头内装有散热风叶,能确保电机在高温下正常运行。是目前国内小型锅炉引风机的首选产品,输送介质温度在160- 200度。


适用场景:Y5-47型耐高温锅炉引风机是锅炉行业设计专家根据锅炉特点专门研发的一种锅炉引风机,适用于小型锅炉引风。也可用于其他温度较高的场所及设备作散热冷却之用。


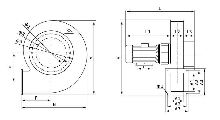
外形尺寸

技术参数表

出风口朝向说明


在线客服

在线客服