产品总汇Products
当前位置:首页 > 产品总汇 > 风机

CF-11多翼式离心通风机

所属:风机
返回列表
服务热线:0577-62759326
打印当前页
放入收藏夹
发邮件给我
分享到:
此产品相关资料下载
  • 产品描述

产品概述


CF-11型低噪声多翼离心式通风机是本公司为适应日益发展的净化工业及环保降噪的需要而设计制作的,风机在设计时采用噪声、效率等各项气动参数的多目标优化设计方法,实现了整机的最佳性能匹配。具有良好的气动性能,叶轮及皮带轮均经严格的动平衡较正,故运转平稳、噪声低、流量大、振动小、寿命长等特点。

广泛适用于单位食堂、宾馆酒楼、饮食店等公共场所的厨房排风、抽油烟或通风换气之用,并适宜在粮食机械、化工机械、塑料机械等生产设备上使用。用途广泛,适用性强。

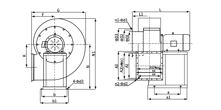
外形尺寸

技术参数表

出风口朝向说明

在线客服

在线客服