产品总汇Products
当前位置:首页 > 产品总汇 > 风机

DF系列离心式鼓风机

所属:风机
返回列表
服务热线:0577-62759326
打印当前页
放入收藏夹
发邮件给我
分享到:
此产品相关资料下载
  • 产品描述

产品概述


DF系列离心式鼓风机采用碳钢外壳,铝合金电机外壳。外表光亮好看不生锈,铜芯电机,电机质量稳定可以长时间使用。该机具有噪声低、风量大、 温升低、耗电省、安装方便等特点。

适用于电信、电力、电气、电子、地质、煤矿、轮船、造纸、吹彩虹门等行业通风换气之处


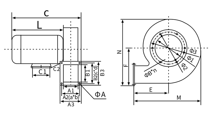
外形尺寸




技术参数表


出风口朝向说明


在线客服

在线客服