产品概述
G系列变频电机冷却风机是G系列变频电机专用冷却风机,可对变频电机散热冷却,延长电机寿命。该风机分A、B型,A型为标准尺寸;B型为加长款。可按需求订购。产品额定电压为单相:110V、220V、380V等;三相:110V、220V、380V、415V、660V、1140V等。产品使用条件为海拔不超过1000米,空气相对湿度不大于90%。防护等级IP55。
GB系列防爆变频电机冷却风机是G系列的派生产品,采用专门研究设计的防爆接线盒与专用防爆电机,密封性好,能有效防止爆炸气体进入,安全防爆性能高。
GP系列防雨型变频电机冷却风机也是G系列的派生产品,防雨防护,装有防雨帽,有效抵挡雨水,避免雨水进入电机发生短路而烧坏电机线圈。
型号含义
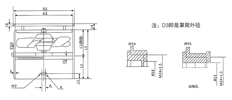
外形尺寸



技术参数表


接线示意图
