产品总汇Products
当前位置:首页 > 产品总汇 > 风机

(A型常规款)G系列变频电机专用冷却风机

所属:风机
返回列表
服务热线:0577-62759326
打印当前页
放入收藏夹
发邮件给我
分享到:
此产品相关资料下载
  • 产品描述

产品概述


G系列变频电机通风机用于电机尾部原来自带风叶安装轴。为了达到更好的冷却效果,需要加装强制冷却风机时可采用本系列产品。
该冷却风机是G系列变频电机专用冷却风机,可对变频电机散热冷却,延长电机寿命。该风机分A、B型,A型为标准尺寸;B型为加长款。可按需求订购。产品额定电压为单相:110V、220V、380V等;三相:110V、220V、380V、415V、660V、1140V等。产品使用条件为海拔不超过1000米,空气相对湿度不大于90%。防护等级IP55。


型号含义

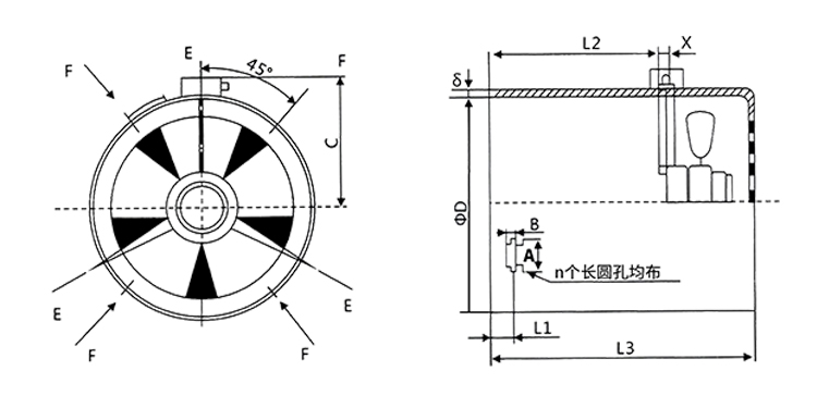
外形尺寸

技术参数表


接线示意图


在线客服

在线客服