产品概述
YWF系列轴流风机为外转子电机,该系列外转子电机具有结构紧凑安装方便、运行可靠、噪音低、节能高效等特点。款式有:方形式、方形百叶窗式、固定式、高筒式、岗位式、工频式、网罩式,方便用于不同环境不同设备。
YWF系列轴流风机分为单相异步电容运转和三相异步运转两种。广泛用于需要风量大的地面自动控制装置、大型电子设备、医疗设备。计算机、办公用品自动化、电焊机等行业的通风散热,亦可用于建筑物、厂房的通风、换气、净化等。
YWF系列轴流风机的绝缘等级为B级、F级,防护等级IP44,IP54。
电压:单相电容运转风机为220V/50Hz,三相风机为380V/50Hz。我们可以按照客户需求生产不同电压、频率的风机。
风机适用的环境温度为-30℃~+60℃之间,相对湿度不大于90%,海拔高度不超过1000m。
风机的平均适用寿命为30000小时以上。
风机使用前必须将电机的接地线与外部接地装置有效连接。
风机特性曲线是在有导风圈且不加网罩的情况下测试。
型号含义
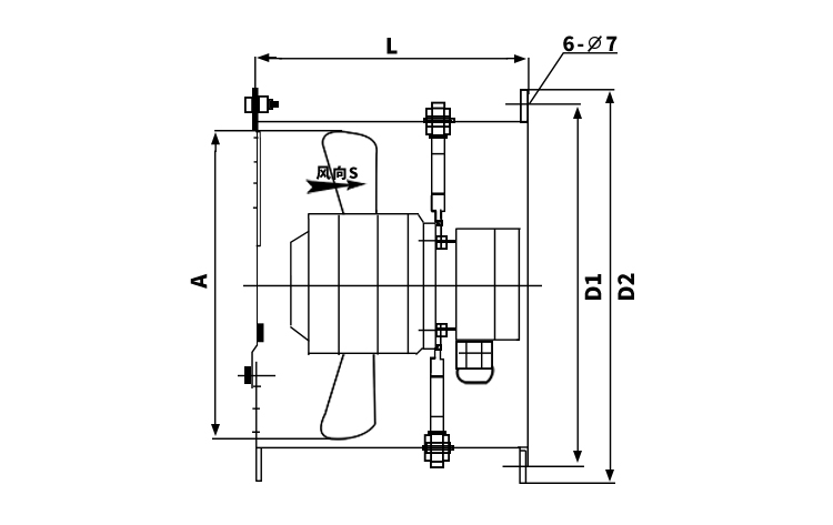
外形尺寸
技术参数表
