欢迎来到上海顶卓电气有限公司官网!
网站首页
联系我们
关注我们
网站首页
关于我们
企业简介
企业荣誉
企业文化
新闻资讯
公司新闻
行业新闻
产品总汇
客户服务
服务理念
营销网络
在线留言
人力资源
人才战略
职位空缺
毛遂自荐
联系我们
产品总汇
Products
产品列表
风机
保护器
...
开关电器
移动电缆盘
专用产品
当前位置:
首页
>
产品总汇
>
保护器
>
保护器
DZ202
所属:
保护器
>>
保护器
返回列表
服务热线:0577-62759326
打印当前页
放入收藏夹
发邮件给我
分享到:
此产品相关资料下载
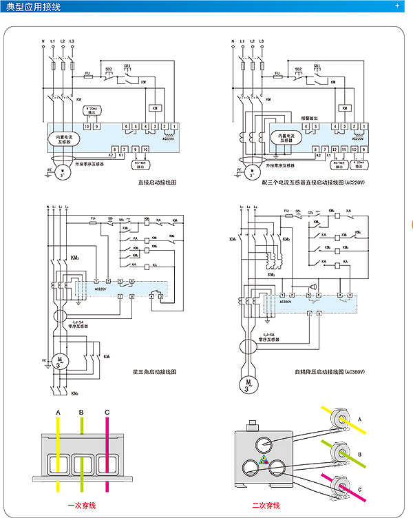
产品描述
返回列表
上一篇:
DZ201
下一篇:
DZ500