产品总汇Products
当前位置:首页 > 产品总汇 > 保护器 > 保护器

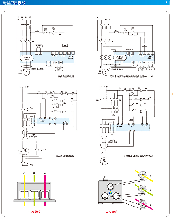
DZ201

所属:保护器>>保护器
返回列表
服务热线:0577-62759326
打印当前页
放入收藏夹
发邮件给我
分享到:
此产品相关资料下载
  • 产品描述






返回列表
在线客服

在线客服